談談負載電容27PF~33PF在晶體諧振器振蕩電路中起到的作用
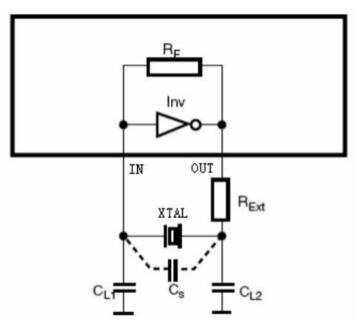
Inv:芯片內部反相器
RF:反饋電阻,一般集成在芯片內部,也有的芯片內部不集成RF
XTAL:無源晶振/石英晶體
CL1、CL2:外接電容,其作用是補償負載電容
CS:由于PCB布線、連接等產生的寄生電容
R Ext:外部限流電阻
XTAL是無源晶振,相當于三點式里面的電感,CL1和CL2就是電容,Inv非門和R1實現一個NPN的三極管。若無源晶振負載CL=20PF,一般情況下,我們選擇電容CL1=CL2=27PF~33PF。 選錯外接電容可能會造成無源晶振不起振、起振困難或工作不穩定。Inv需要一個電阻,不然它處于飽和截止區,而不是放大區,RF相當于三極管的偏置作用,讓Inv處于放大區域,那么Inv就是一個反相器,這個就實現了NPN三極管的作用,NPN三極管在共發射極接法時也是一個反相器。
一個正弦振蕩電路要振蕩的最基本條件為:系統放大倍數大于1。這個條件容易實現,相位滿足360度,與晶振振蕩頻率相同的很小的振蕩就會被放大。因為Inv是反相器,即:實現了180°移相,那么就需要CL1,CL2和XTAL實現180°移相就可以。恰好,當CL1,CL2,XTAL形成諧振時,能夠實現180移相。實質上,我們可以把無源晶振XTAL看作是一個電感來理解。
當CL1增大時,CL2端的振幅增強,當CL2降低時,振幅也增強。有時,在沒有電容CL1和電容C2L的情況之下,無源晶振也能起振,但這并不能說明沒有電容CL1和電容CL2,而是因為芯片引腳的分布電容引起。電容CL1和電容CL2本來就不需要很大容值,清楚這一點非常重要。
兩個電容對晶振振蕩電路穩定性的影響
因為Inv的電壓反饋是靠電容CL2,假設電容CL2過大,反饋電壓過低,可能會造成晶振振蕩不穩定;假設CL2過小,反饋電壓過高,儲存能量過少,晶振則容易遭受外界干擾,也會輻射影響到外界電路中去。電容CL1的作用與電容CL2恰好相反。
在我們電路板布線時,假設為單層板或雙面板,來自分布電容(雜散電容CS)的影響可能不會很大。但是,假設在高密度多層板布線時,就需要考慮分布電容。
針對用于工控項目電路板,建議不要選擇無源晶振來提供時鐘信號,而是直接采用有源晶振方案。道理很簡單,我們需要為無源晶振搭建滿足其起振的條件,若條件不被滿足時,就容易發生無源晶振不起振或工作不穩定等問題。而工控項目對設備穩定性有嚴格要求,因此直接選用有源晶振。有源晶振之所以穩定,就是因為它的內部已經搭建好了一個含IC在內的振蕩電路.
發表評論:
| 姓名: | |
| 郵箱: | |
| 正文: | |
歡迎參與討論,請在這里發表您的看法、交流您的觀點。
相關資訊
- [2026-02-04]Skyworks賦能Nest視頻門鈴開啟智能家...
- [2026-02-02]瑞薩第四代R-Car汽車芯片應運而生掀起...
- [2026-01-28]電子行業新突破IQD可變供電式振蕩器震...
- [2026-01-24]5G與智能時代的幕后英雄Greenray精密...
- [2026-01-21]Skyworks電子展大放送柵極驅動器與Ga...
- [2025-10-24]光刻賦能NDK晶振開啟800G/1.6T光通信...
- [2025-10-18]解鎖液體檢測新境界美國微芯MTCH9010...
- [2025-09-18]丹麥格耶KX-327RF低溫車規晶振的卓越...



.jpg)

銷售代表