陶瓷霧化片 Atomization Piece
陶瓷晶振 Ceramic SMD crystal
陶瓷濾波器 CeramicFilter
聲表面濾波器|諧振器 SAW filter
千赫晶體KHZ KHz Crystal
石英晶振 Quartz Crystal
貼片晶振 SMD crystal
NJR晶振
應達利晶振
日本大真空晶體 KDS晶振
精工晶振 SEIKO晶體
日本村田陶瓷晶振
西鐵城晶振 CITIZEN晶振
愛普生晶振 EPSON晶振
NSK晶振 NSK晶振
大河晶振 大河晶振
CTS晶振 美國CTS晶振
TXC晶振 TXC晶振
鴻星晶振 鴻星晶振
加高晶振 加高晶振
百利通亞陶晶振 百利通亞陶晶振
泰藝晶振 泰藝晶振
京瓷晶振 京瓷晶振
NDK晶振 NDK晶振
希華晶振 希華晶振
富士晶振 富士晶振
MERCURY晶振
NAKA晶振
SMI晶振
安基晶振
NKG晶振
Renesas瑞薩晶振
ITTI晶振
CTS晶振
Abracon晶振
微晶晶振
瑞康晶振
FOX晶振
Statek晶振
ECS晶振
IDT晶振
高利奇晶振
SiTime晶振
日蝕晶振
康納溫菲爾德晶振
Jauch晶振
維管晶振
拉隆晶振
格林雷晶振
Pletronics晶振
AEK晶振
AEL晶振
Cardinal晶振
Crystek晶振
Euroquartz晶振
Frequency晶振
GEYER晶振
ILSI晶振
KVG晶振
MMDCOMP晶振
MtronPTI晶振
QANTEK晶振
QuartzCom晶振
QuartzChnik晶振
SUNTSU晶振
Transko晶振
WI2WI晶振
韓國三呢晶振
ARGO晶振
ACT晶振
Milliren晶振
韓國Lihom晶振
rubyquartz晶振
美國Oscilent晶振
韓國SHINSUNG晶振
PDI晶振
C-TECH晶振
IQD晶振
Microchip晶振
Fortiming晶振
CORE晶振
NIPPON晶振
NIC晶振
QVS晶振
Bomar晶振
Bliley晶振
GED晶振
FILTRONETICS晶振
STD晶振
Q-Tech晶振
Anderson晶振
Wenzel晶振
NEL晶振
EM晶振
德國PETERMANN晶振
荷蘭FCD-Tech晶體
HEC晶振
FMI晶振
Macrobizes晶振
德國AXTAL晶振
Silicon晶振
SKYWORKS晶振
DEI晶振
石英晶體振蕩器 石英晶體振蕩器
壓控晶振 壓控晶振
溫補晶振 溫補晶振
壓控溫補晶振 壓控溫補晶振
恒溫晶振 恒溫晶振
差分晶振 差分晶振
32.768K有源晶振 32.768K有源晶振
座機: 0755-27876565
手機: 18924600166
E-mail:yijindz@163.com
QQ:857950243
地址:深圳市寶安區新安107國道旁甲岸路
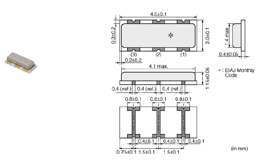
CSTCR4M00G55E-R0,muRata石英諧振器,4520高密度封裝晶振
.png)
.png)
CSTCR4M00G55E-R0,muRata石英諧振器,4520高密度封裝晶振
村田晶振CSTCR4M00G55E-R0作為一款高可靠性石英諧振器,4520高密度封裝賦予其優異的量產兼容性與裝配便利性.產品標稱頻率4.000MHz,頻率精度與溫度穩定性表現出色,配合60Ω的低諧振阻抗,能快速啟動振蕩并維持穩定輸出.依托村田在陶瓷元件領域培育的高供應穩定性,該產品可保障大規模量產的持續供貨能力,同時提供全面的技術支持與IC匹配服務,是智能穿戴,小型家電,工業控制模塊等設備的理想時鐘頻率解決方案.
.png)
.png)
CSTCR4M00G55E-R0,muRata石英諧振器,4520高密度封裝晶振
| 原廠型號 Originalmodel: | CSTCR4M00G55E-R0 | 品牌brand: | muRata |
| 品牌brand: | muRata石英晶振 | 高度PackageHeight: | 1.16mm |
| 型號名稱 Modelname: | CSTCR | 溫度OperatingTemperature | -20+80℃ |
| Type系列: | MHz Crystal | 腳位Termination: | 3-Pad |
| 頻率 frequency: | 4M | 封裝類型PackageType: | 3-smd |
| frequencytolerance頻率容差 | ±0.5ppm | 最小包裝數MPQ: | 1000 |
| Loadcapacitance 負載電容 | 39PF | Packaging 包裝 | TapeandReel |
| Size/Dimension尺寸 | 4520mm | 安裝方式 Installation: | Surfacemount |
.png)
.png)
CSTCR4M00G55E-R0,muRata石英諧振器,4520高密度封裝晶振

CSTCR4M00G55E-R0,muRata石英諧振器,4520高密度封裝晶振
| SG-8018CG 32.5140M-TJHSA0 | EPSON | SG-8018 | XO | 32.514 MHz | CMOS |
| SG-8018CG 12.7000M-TJHPA0 | EPSON | SG-8018 | XO | 12.7 MHz | CMOS |
| SG-8018CG 133.302860M-TJHPA0 | EPSON | SG-8018 | XO | 133.30286 MHz | CMOS |
| SG-8018CG 26.296750M-TJHPA0 | EPSON | SG-8018 | XO | 26.29675 MHz | CMOS |
| SG-8018CG 45.4545M-TJHPA0 | EPSON | SG-8018 | XO | 45.4545 MHz | CMOS |
| SG-8018CG 31.3500M-TJHSA0 | EPSON | SG-8018 | XO | 31.35 MHz | CMOS |
| SG-8018CG 12.2727M-TJHPA0 | EPSON | SG-8018 | XO | 12.2727 MHz | CMOS |
| SG-8018CG 12.8800M-TJHSA0 | EPSON | SG-8018 | XO | 12.88 MHz | CMOS |
| SG-8018CG 132.8130M-TJHPA0 | EPSON | SG-8018 | XO | 132.813 MHz | CMOS |
| SG-8018CG 4.096250M-TJHSA0 | EPSON | SG-8018 | XO | 4.09625 MHz | CMOS |
| SG-8018CG 97.2000M-TJHSA0 | EPSON | SG-8018 | XO | 97.2 MHz | CMOS |
| SG-8018CG 0.7990M-TJHSA0 | EPSON | SG-8018 | XO | 799 kHz | CMOS |
| SG-8018CG 32.1060M-TJHPA0 | EPSON | SG-8018 | XO | 32.106 MHz | CMOS |
| SG-8018CG 23.0140M-TJHSA0 | EPSON | SG-8018 | XO | 23.014 MHz | CMOS |
| SG-8018CG 16.3840M-TJHPA0 | EPSON | SG-8018 | XO | 16.384 MHz | CMOS |
| SG-8018CG 50.1100M-TJHSA0 | EPSON | SG-8018 | XO | 50.11 MHz | CMOS |
| SG-8018CG 18.0224M-TJHPA0 | EPSON | SG-8018 | XO | 18.0224 MHz | CMOS |
| SG-8018CG 16.3860M-TJHSA0 | EPSON | SG-8018 | XO | 16.386 MHz | CMOS |
| SG-8018CG 53.0000M-TJHSA0 | EPSON | SG-8018 | XO | 53 MHz | CMOS |
| SG-8018CG 56.6500M-TJHSA0 | EPSON | SG-8018 | XO | 56.65 MHz | CMOS |
| SG-8018CG 13.553750M-TJHSA0 | EPSON | SG-8018 | XO | 13.55375 MHz | CMOS |
| SG-8018CG 45.0000M-TJHPA0 | EPSON | SG-8018 | XO | 45 MHz | CMOS |
| SG-8018CG 100.0100M-TJHPA0 | EPSON | SG-8018 | XO | 100.01 MHz | CMOS |
| SG-8018CG 93.7500M-TJHSA0 | EPSON | SG-8018 | XO | 93.75 MHz | CMOS |
| SG-8018CG 19.2840M-TJHPA0 | EPSON | SG-8018 | XO | 19.284 MHz | CMOS |
| SG-8018CG 139.2460M-TJHSA0 | EPSON | SG-8018 | XO | 139.246 MHz | CMOS |
| SG-8018CG 100.0500M-TJHPA0 | EPSON | SG-8018 | XO | 100.05 MHz | CMOS |
| SG-8018CG 19.4444M-TJHPA0 | EPSON | SG-8018 | XO | 19.4444 MHz | CMOS |
| SG-8018CG 26.8300M-TJHSA0 | EPSON | SG-8018 | XO | 26.83 MHz | CMOS |
| SG-8018CG 32.7500M-TJHSA0 | EPSON | SG-8018 | XO | 32.75 MHz | CMOS |
| SG-8018CG 135.2650M-TJHPA0 | EPSON | SG-8018 | XO | 135.265 MHz | CMOS |
| SG-8018CG 27.000625M-TJHSA0 | EPSON | SG-8018 | XO | 27.000625 MHz | CMOS |
| SG-8018CG 138.7000M-TJHPA0 | EPSON | SG-8018 | XO | 138.7 MHz | CMOS |
| SG-8018CG 32.2500M-TJHSA0 | EPSON | SG-8018 | XO | 32.25 MHz | CMOS |
| SG-8018CG 137.5000M-TJHPA0 | EPSON | SG-8018 | XO | 137.5 MHz | CMOS |
| SG-8018CG 0.9000M-TJHSA0 | EPSON | SG-8018 | XO | 900 kHz | CMOS |
| SG-8018CG 56.4480M-TJHSA0 | EPSON | SG-8018 | XO | 56.448 MHz | CMOS |
| SG-8018CG 26.9900M-TJHSA0 | EPSON | SG-8018 | XO | 26.99 MHz | CMOS |
| SG-8018CG 120.9600M-TJHSA0 | EPSON | SG-8018 | XO | 120.96 MHz | CMOS |
| SG-8018CG 14.089190M-TJHSA0 | EPSON | SG-8018 | XO | 14.08919 MHz | CMOS |
| SG-8018CG 32.507936M-TJHSA0 | EPSON | SG-8018 | XO | 32.507936 MHz | CMOS |
| SG-8018CG 100.0400M-TJHPA0 | EPSON | SG-8018 | XO | 100.04 MHz | CMOS |
| SG-8018CG 19.6870M-TJHPA0 | EPSON | SG-8018 | XO | 19.687 MHz | CMOS |
| SG-8018CG 44.5450M-TJHPA0 | EPSON | SG-8018 | XO | 44.545 MHz | CMOS |
| SG-8018CG 4.9150M-TJHSA0 | EPSON | SG-8018 | XO | 4.915 MHz | CMOS |
| SG-8018CG 4.3000M-TJHSA0 | EPSON | SG-8018 | XO | 4.3 MHz | CMOS |
| SG-8018CG 32.5140M-TJHPA0 | EPSON | SG-8018 | XO | 32.514 MHz | CMOS |
| SG-8018CG 55.5555M-TJHSA0 | EPSON | SG-8018 | XO | 55.5555 MHz | CMOS |
| SG-8018CG 50.0080M-TJHPA0 | EPSON | SG-8018 | XO | 50.008 MHz | CMOS |
| SG-8018CG 23.8040M-TJHSA0 | EPSON | SG-8018 | XO | 23.804 MHz | CMOS |
| SG-8018CG 121.0000M-TJHPA0 | EPSON | SG-8018 | XO | 121 MHz | CMOS |
| SG-8018CG 27.0016M-TJHPA0 | EPSON | SG-8018 | XO | 27.0016 MHz | CMOS |
| SG-8018CG 148.2200M-TJHPA0 | EPSON | SG-8018 | XO | 148.22 MHz | CMOS |
| SG-8018CG 99.9300M-TJHSA0 | EPSON | SG-8018 | XO | 99.93 MHz | CMOS |
| SG-8018CG 14.0500M-TJHSA0 | EPSON | SG-8018 | XO | 14.05 MHz | CMOS |
| SG-8018CG 98.7650M-TJHSA0 | EPSON | SG-8018 | XO | 98.765 MHz | CMOS |
| SG-8018CG 46.495960M-TJHPA0 | EPSON | SG-8018 | XO | 46.49596 MHz | CMOS |
| SG-8018CG 50.0025M-TJHSA0 | EPSON | SG-8018 | XO | 50.0025 MHz | CMOS |
| SG-8018CG 64.5160M-TJHSA0 | EPSON | SG-8018 | XO | 64.516 MHz | CMOS |
| SG-8018CG 0.7840M-TJHPA0 | EPSON | SG-8018 | XO | 784 kHz | CMOS |
.png)
公司:深圳市億金電子有限公司
SHENZHEN YIJIN ELECTRONICS CO;LTD
電話:0755-27876565
手機:18924600166
QQ:857950243
郵箱:yijindz@163.com
網站:http://m.py519.com
地址:廣東省深圳市寶安區新安107國道旁






銷售代表