陶瓷霧化片 Atomization Piece
陶瓷晶振 Ceramic SMD crystal
陶瓷濾波器 CeramicFilter
聲表面濾波器|諧振器 SAW filter
千赫晶體KHZ KHz Crystal
石英晶振 Quartz Crystal
貼片晶振 SMD crystal
NJR晶振
應達利晶振
日本大真空晶體 KDS晶振
精工晶振 SEIKO晶體
日本村田陶瓷晶振
西鐵城晶振 CITIZEN晶振
愛普生晶振 EPSON晶振
NSK晶振 NSK晶振
大河晶振 大河晶振
CTS晶振 美國CTS晶振
TXC晶振 TXC晶振
鴻星晶振 鴻星晶振
加高晶振 加高晶振
百利通亞陶晶振 百利通亞陶晶振
泰藝晶振 泰藝晶振
京瓷晶振 京瓷晶振
NDK晶振 NDK晶振
希華晶振 希華晶振
富士晶振 富士晶振
MERCURY晶振
NAKA晶振
SMI晶振
安基晶振
NKG晶振
Renesas瑞薩晶振
ITTI晶振
CTS晶振
Abracon晶振
微晶晶振
瑞康晶振
FOX晶振
Statek晶振
ECS晶振
IDT晶振
高利奇晶振
SiTime晶振
日蝕晶振
康納溫菲爾德晶振
Jauch晶振
維管晶振
拉隆晶振
格林雷晶振
Pletronics晶振
AEK晶振
AEL晶振
Cardinal晶振
Crystek晶振
Euroquartz晶振
Frequency晶振
GEYER晶振
ILSI晶振
KVG晶振
MMDCOMP晶振
MtronPTI晶振
QANTEK晶振
QuartzCom晶振
QuartzChnik晶振
SUNTSU晶振
Transko晶振
WI2WI晶振
韓國三呢晶振
ARGO晶振
ACT晶振
Milliren晶振
韓國Lihom晶振
rubyquartz晶振
美國Oscilent晶振
韓國SHINSUNG晶振
PDI晶振
C-TECH晶振
IQD晶振
Microchip晶振
Fortiming晶振
CORE晶振
NIPPON晶振
NIC晶振
QVS晶振
Bomar晶振
Bliley晶振
GED晶振
FILTRONETICS晶振
STD晶振
Q-Tech晶振
Anderson晶振
Wenzel晶振
NEL晶振
EM晶振
德國PETERMANN晶振
荷蘭FCD-Tech晶體
HEC晶振
FMI晶振
Macrobizes晶振
德國AXTAL晶振
Silicon晶振
SKYWORKS晶振
DEI晶振
石英晶體振蕩器 石英晶體振蕩器
壓控晶振 壓控晶振
溫補晶振 溫補晶振
壓控溫補晶振 壓控溫補晶振
恒溫晶振 恒溫晶振
差分晶振 差分晶振
32.768K有源晶振 32.768K有源晶振
座機: 0755-27876565
手機: 18924600166
E-mail:yijindz@163.com
QQ:857950243
地址:深圳市寶安區新安107國道旁甲岸路
村田晶振,CSTCC2M50G56-R0晶振,三腳晶體諧振器
.jpg)
村田公司是一家使用性能優異電子原料,設計、制造最先進的陶瓷晶振,陶瓷晶體諧振器,陶瓷濾波器電子元器件及多功能高密度模塊的企業.不僅是手機、家電,汽車相關的應用、能源管理系統、醫療保健器材等,都有村田公司的身影.
村田自1973年在中國香港成立第一家銷售公司起,至今村田中國已擁有19個銷售據點、4個工廠以及4個研發設計基地,近距離為客戶提供及時有效的服務和技術支持.村田晶振集團中國以滿足客戶的要求作為企業經營的最優先課題,全體員工同心協力完成工作.村田晶振,CSTCC2M50G56-R0晶振,三腳晶體諧振器

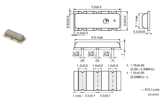
| 產品型 | 陶瓷諧振器 |
|---|---|
| 系列名 | CSTCC |
| 頻率 | 2.5MHz |
| 頻率公差 | ±0.5% max. |
| 工作溫度范圍 | -20℃~80℃ |
| 頻率溫度特性 | ±0.15% max. |
| 頻率老化 | ±0.10% max. |
| 諧振電阻 (R1) | 40Ω max. |
| 內置負載電容(CL1/CL2) | 15pF |
| 形狀 | SMD |
| 清洗 | 對應 |
| 長x寬 | 7.2x3.0mm |
| 質量 | 12.56mg |



村田制作所基于高尚的企業道德,遵循其經營理念,以繼續成為受社會信賴的公司為目標,承諾遵守法律和法規,實施高度透明的管理、尊重人權、維護健康與安全、為社會發展和環境保護做出貢獻.村田晶振,CSTCC2M50G56-R0晶振,三腳晶體諧振器
2009年度,根據環境管理體系中的規定,村田在其日本國內的所有事業所和海外的所有生產基地中,建立了綠色經營活動的框架,通過 共享與綠色經營有關的信息,致力于開展有效的和實際效果大的環保活動,并強化企業的管治能力.
環保經營促進體制
從設計階段開始減少環保負荷的體制建設,村田由環保主管董事擔任整個集團的環保活動的總負責人,由環保部跨事業所支持和促進環保活動.此外,社長的咨詢機構—環保委員會,還針對各據點的活動情況和全公司的環保課題進行議論和探討.此外,為大力推進二氧化碳減排活動,設立了“防止全球變暖委員會”,加快設計、開發和生產過程中CO2減排活動的步伐.
截止到2006年度,村田在國內外的所有生產據點以及國內的非生產據點——村田制作所總公司、東京分公司、營業所,均取得了ISO14001認證.此后,村田努力開展體系整合,并于2007年3月在國內集團的34個據點完成了向ISO14001多站認證的轉變.村田力求通過此舉,落實從設計、開發到生產、銷售的一條龍環保管理,同時還將在一部分據點取得顯著成效的改善事例推廣應用到其他據點等,以提高整個集團的環保績效.
2010年3月完成了對日本國內全部事業所和海外全部生產據點的環保管理系統整合.通過所構建的國際化環保管理系統,進一步強化了村田晶振集團的管制,能夠推進更加有效且具有更高實效性的環保活動.而且,以往我們都以各事業所為單位進行PDCA循環,從2012年起,我們把多家事業所作為一個管理單位,不斷推動著PDCA循環的衛星化.
根據員工的職位和業務內容實施環保教育,為了提高員工的環保意識,村田對全體員工實施環保教育.并且在2012年對內部監查員培訓講座的教學綱要進行了修改調整,引進了模擬監查等,使教育內容更加接近于實際的監查.此外,針對操作排水排氣等對環保有影響的設備的員工,開展個別教學,使其掌握正確的檢查方法、提高運轉效率,力爭最大限度地減少環保影響.
.jpg)
公司名稱:深圳市億金電子有限公司
電話:0755-27876565
電話:18924600166
QQ:857950243
郵箱:yijindz@163.com
網址:m.py519.com





銷售代表